如何選擇拖鏈型號?【拖鏈選型方法】
一、確定拖鏈內部尺寸
電纜、氣管和液壓管等負載的數量、類型及直徑決定了拖鏈的內部尺寸和分配狀況 。
首先,要保證負載的拖鏈內部合理均勻的分布:包括重量均勻分布,空間合理分布。
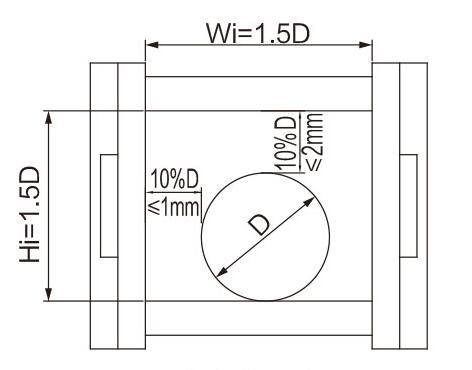
若為單一負載且只有一條,空間足夠即可(見圖一);
若為液壓管、水管、氣管、油管和電纜等不同的負載最好用豎隔片分隔開來(見圖二);
若為同種負載數量較多且直徑差異比較大,也最好用豎隔片隔開(見圖二);
若有多層排布,可用橫隔片在高度方向進行分隔(見圖三)。
其次,要保證負載能夠在拖鏈內部能夠自由移動,防止排布時產生相互纏繞的現象;
然后,根據負載的排布,計算出內高和內寬:通常情況下所選用的拖鏈的內寬和內高為負載排布的最大高度和最大寬的1.5倍;
最后,根據拖鏈的使用環境決定是否需要選用全封閉拖鏈(一般情況下在有粉塵顆粒較大或者環境較為惡劣的情況下,為了更好的保護負載, 可選用全封閉型的拖鏈)。
圖一
圖二
圖三
圖四
二、計算拖鏈彎曲半徑
彎曲半徑的計算取決于以下兩個要素:通常情況下,最大的直徑或厚度及最硬的電纜決定了最大允許的最小彎曲半徑;可獲取的安裝空間決定了允許的彎曲半徑(在拖鏈安裝空間有限的情況下);彎曲半徑的計算方法:電纜:國產電纜的彎曲半徑是其最大外徑的8~10倍左右;進口電纜的彎曲半徑是其最大外徑的6倍左右;油管:油管的彎曲半徑是其最大外徑的12倍左右;水管和氣管:水管和氣管的彎曲半徑是其最大外徑的10~12倍左右;實際安裝高度HL:彎曲半徑R≤(HL-H)/2,H為拖鏈外高尺寸(見圖四)。注:實際選用拖鏈型號以閔彬現有的拖鏈標準擇優而定。
- 上一篇:拖鏈安裝分隔、裝配方法步驟 2018/5/26
- 下一篇:鋼制拖鏈價格 2018/5/16




